
CHAVE DE PARTIDA
Chave de partida é um dispositivo que dá condições à partida do motor.
Sempre que possível, a partida de um motor deverá ser feita de forma direta, ou
seja, sem artifícios para redução da corrente de partida.
Por outro lado, quando a corrente de partida do motor é elevada, podem
ocorrer alguns transtornos, tais como:
• Interferência no funcionamento de equipamentos instalados no mesmo
sistema, devido à queda de tensão excessiva.
• Necessidade de superdimensionar os sistemas de proteção, com
conseqüente aumento de custos.
• Por imposição da redução da corrente de partida pela companhia
concessionária de energia elétrica, de forma a limitar a queda de tensão
na rede.
Quando tais fatos ocorrem, é necessário recorrer a um sistema de partida
indireta, de modo a reduzir o pico de corrente na partida.
Chave de Faca
A chave faca é um dispositivo de abertura em carga. É o dispositivo mais
simples que só é aplicável a motores de baixa potência. O arco elétrico que
ocorre no fechamento e na abertura provoca o desgaste nos seus contatos. Estas
chaves não permitem o desligamento automático por sobrecarga. Associadas a
fusíveis oferecem proteção contra curto-circuito, mas não permitem o comando à
distância. Na Fig. abaixo pode ser visualizado um circuito de acionamento de um
motor com a utilização de uma chave faca.
![]() |
| Figura 1 - Circuito de acionamento de um motor com a de uma chave faca. |
![]() |
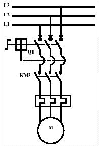
| Figura 2 - Circuito de partida direta de um motor. |
Chave de Partida Direta com Reversão do Sentido de Rotação
A chave de partida com reversão de sentido de rotação possibilita a
reversão em plena marcha do sentido de rotação de um motor trifásico, através
da inversão da seqüência fases. Esta chave é dotada de 2 contactores. O
primeiro contactor permite a ligação na seqüência ABC e o segundo permite a
ligação na seqüência CBA. É necessário que os contactores tenham
intertravamento, Isto é, uma ligação só é plenamente realizada quando a outra
ligação foi totalmente desconectada.
Limitações da Corrente de Partida
Os sistemas mais usuais para limitar a corrente de partida de motores de
corrente alternada são descritos a seguir.
Chave de Partida Estrela-Triângulo
As ligações de motores através de chaves estrela-triângulo são utilizadas
em alguns casos, quando o motor admite ligações em dois níveis de tensão. Elas
têm a finalidade de reduzir a corrente de partida, para motores de alta potência,
que requerem naturalmente uma alta corrente durante a partida. O motor parte
com ligação estrela, sendo energizado com 3 N V , até que sua velocidade se
aproxime da nominal, quando um operador ou um relé temporizado pode mudar a
ligação de estrela para triângulo e desse modo, o motor passa a ser alimentado
com sua tensão nominal. Para a realização das conexões que permitam as
ligações estrela-triângulo é necessário que os terminais da bobina sejam
acessíveis.
Na Fig. abaixo podem ser visualizadas as ligações das bobinas para as
ligações estrela e triângulo.
![]() |
||
| Figura 3 - Esquemas de ligação das bobinas do estator; a) ligação estrela, b) | ligação triângulo. |
Uma comutação prematura (velocidade do motor ainda baixa), ou uma
longa duração no processo de comutação, o que causa uma diminuição excessiva
da velocidade, leva a um pico de corrente elevado na comutação. Já uma
duração muito curta no processo de comutação pode fazer surgir uma corrente
de curto-circuito, pois o arco voltaico decorrente da abertura da ligação pode
ainda não se encontrar totalmente extinto.
O circuito de força para o acionamento de um motor com a utilização da
chave de partida estrela-triângulo pode ser visto na Fig. abaixo
![]() |
| Figura 4 - Circuito de força de chave de partida estrela-triângulo. |
Partida com Chave Série-Paralelo
As chaves de partida série-paralelo são utilizadas para redução corrente
de partida de motores elétrico, quando o motor admite ligações em quatro níveis
de tensão. Elas têm a finalidade de reduzir a corrente de partida, para motores
de alta potência, que requerem naturalmente uma alta corrente durante a partida.
Para partida com chave série-paralelo é necessário que o motor seja
energizado em duas tensões, onde a menor delas deverá ser igual à tensão da
rede (tensão de serviço) e a outra igual ao dobro daquela. No laboratório
encontram-se motores com 4 possibilidade de ligação em serviço
(220/380/440/760V), onde a tensão de 760V é utilizável apenas no instante da
partida. No sistema aqui utilizado, as ligações referentes são usadas na tensão
de 760V para partida e 380 V para a tensão de serviço do motor. Para a tensão
de 380 V, uma ligação duplo Y deverá ser utilizada.
Na partida série-paralelo, o pico de corrente é reduzido a 1/4 daquele
com partida direta. Deve-se ter em mente que com este tipo de ligação, o
conjugado de partida do motor também fica reduzido a 1/4 e, portanto, a máquina
deve partir praticamente em vazio.
Na Fig. 5 podem ser visualizados os esquemas de ligação das bobinas
para a chave de partida série-paralelo. Observe que na Fig. 5(a) as bobinas são
ligadas em série, e que na Fig. 5(b) são ligadas duas bobinas em paralelo por
fase.
![]() |
||
| Figura 5 - Esquemas de ligação das bobinas do estator; a) ligação série, b) | ligação paralelo. |
Circuito Principal ou Circuito de Força
Circuito Principal ou Circuito de Força é responsável pelo fornecimento
da corrente necessária à operação dos equipamentos. No caso das montagens
no laboratório, os equipamentos serão os motores. Os motores usados nas
montagens do Laboratório de Instalações Elétricas são de potência baixa, pois o
objetivo de sua utilização é meramente didático.
Circuito Auxiliar ou Circuito de Comando
O Circuito auxiliar é utilizado para os acionamentos e desacionamentos
dos dispositivos de manobra tipo: contactores, relés, temporizadores, etc. Além
disso, o circuito auxiliar é usado para fins de travamento quando da ocorrência
de anormalidades no circuito de força e sinalização.
DISPOSITIVOS DE COMANDO
Contactores ou Contatores
Chama-se contactor a um interruptor comandado à distância por meio de
um eletroímã. Funciona como uma chave de operação eletromagnética que tem
uma única posição de repouso e é capaz de estabelecer, conduzir e interromper
correntes em condições normais do circuito, inclusive sobrecarga no
funcionamento.
![]() |
| Figura 6 - Vista interior de um contactor. |
Os contactores podem ser Bi, Tri ou Tetrapolares. Existem vários tipos de
contactores. A seguir serão comentados alguns os tipos de contactores.
Contactores Disjuntores
Os contactores disjuntores integram várias funções básicas que
normalmente existem em vários blocos. As funções são, por exemplo, de
proteção contra curto-circuitos ou sobrecarga através de um relé térmico e de
fusíveis.
Contactores Inversores
Contactores Inversores possuem as mesmas características dos
contactores disjuntores e são usados para inverter o sentido de rotação dos
motores trifásicos.
Disjuntor
O disjuntor é um aparelho destinado a energizar e desenergizar um
circuito, tanto em condições normais como em condições anormais. Em
condições anormais, por exemplo, um curto-circuito, o disjuntor deve interromper
a corrente o mais rápido possível.
Temporizadores
Os temporizadores são dispositivos utilizados apenas em circuitos de
comando, e que tem como função energizar ou desenergizar determinado
componente, após um tempo pré-programado.
Relé de Sobrecarga
O relé de sobrecarga é um dispositivo que monitora um outro
circuito, ou seja, ele verifica a ocorrência de anormalidade no circuito
monitorado e aciona seus contatos, desenergizando o circuito de
força, se necessário. A função do relé de sobrecarga é proteger os
equipamentos instalados no circuito de força.