INSTALAÇÃO DE LÂMPADA ACIONADA POR FOTOCÉLULA:
MATERIAL UTILIZADO: fios; 01 soquete; 01 fotocélula; 01 chave néon (teste); 01 chave de fenda; 01 alicate universal; 01 alicate de bico.
FUNDAMENTAÇÃO TEÓRICA:
Em circuitos de iluminação de exteriores (de ruas, de sinalização em caixas d'água,
em pátios etc.), é muito comum o acionamento automático por elementos fotossensíveis.
Eles operam segundo a intensidade de luz recebida. O acionamento automático é muito útil
em iluminação pública, pois eliminam o fio-piloto para o comando das lâmpadas, bem como
o operador para apagar e acender. O fio-piloto corresponde ao fio retorno nas instalações de
interruptores.
PROCEDIMENTOS
1º Passo:
Com o auxílio do cabo guia, coloque a fiação dentro do eletroduto, seguindo o
diagrama unifilar mostrado na Figura 11(a).
2º Passo:
Faça as devidas conexões ao receptáculo ou soquete, a fotocélula e emendas, se
necessário, seguindo o diagrama multifilar mostrado na Figura 11(b).
3º Passo:
A fim de testar o circuito, utilize um dispositivo emissor de luz, externo ao circuito,
que emita raios de luz sobre a fotocélula. Se a lâmpada for acionada, o circuito não está
montado corretamente. Interrompa a passagem de luz para o elemento fotossensível para
que a lâmpada seja acionada. Leia as instruções de teste contidas no “corpo” da fotocélula, e
siga-as a fim de verificar o seu funcionamento.
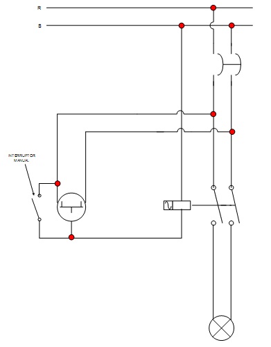
ESQUEMA DE LIGAÇÃO FOTOCELULA COM CONTATOR COM ACIONADOR MANUAL OU APENAS PELA FOTOCELULA

FOTOCÉLULA ACIONANDO O CONTATOR QUE PODERÁ ACIONAR CARGAS MAIS ELEVADAS
